Описание Woltex:
Woltex - cчетчики холодной и горячей воды турбинные
Применение cчетчиков Woltex
Счетчики холодной и горячей воды турбинные Woltex предназначены для измерения объемного расхода воды в системах холодного и горячего водоснабжения.
Счетчики Woltex используются для учета расхода воды, в том числе коммерческого, согласно действующих правил учета отпуска и использования воды на промышленных объектах и объектах коммунального хозяйства.
Счетчики Woltex могут устанавливаться в горизонтальном и вертикальном положении. Счетчики Woltex отвечают классу точности В (ДСТУ 3580-97) в горизонтальном положении и ветрикальном положении.
Приемущества счетчиков Woltex
- Надежный измерительный механизм
- Надежная износостойкая конструкция
- Устойчивость и надежность при работе на повышенных расходах
- Все счетчики стандартно оснащаются металлическим индикатором для подключения устройства считывания импульсов Cyble
Cyble – запатентованная компанией Actaris технология, мировой лидер среди систем считывания и передачи импульсов.
Описание cчетчиков Woltex

Счетчики Woltex состоят из чугунного корпуса с фланцевыми соединениями и взаимозаменяемого измерительного механизма (измерительный узел с турбиной, крышка корпуса, отсчетное устройство с магнитной передачей и механическим сумматором, смонтированные вместе).
Принцип работы счетчика Woltex заключается в измерении числа оборотов турбины, вращающейся под действием протекающей воды. Поток воды попадает в корпус счетчика и далее в измерительный механизм, в опорах которого в горизонтальном положении установлена турбина, закрепленная на двух осях из нержавеющей стали. Вода, пройдя через измерительный механизм, поступает в выходной патрубок. Скорость вращения турбины пропорциональна расходу воды.
Удобство считывания информации
Обеспечивается 8-разрядным механическим сумматором, с индикацией измеренного объема воды в м3 и со стробоскопическим диском индикации вращения крыльчатки. Сумматор поворачивается на 360º. Сумматор предохраняется от попадания грязи защитной крышкой на шарнире. Индикатор дополнительно оснащен миниатюрным дворником для считывания показаний при наличии конденсата под стеклом сумматора.
Коммуникационные возможности
Сумматоры счетчиков позволяют подключать к счетчикам устройство считывания импульсов Cyble с различной ценой импульса и функцией учета обратного потока, работающую на принципе детекции последовательного изменения индукции в трех индуктивных цепях.
Cyble позволяет производить удаленное считывание и передачу данных о расходе тремя возможными способами:
- Импульсный выход (2-х или 5-ти проводный) (Cyble Sensor)
- Выход M-Bus (Cyble M-Bus)
- Передача данных по радиоканалу (Cyble RF)
Метрологические характеристики
Пределы допускаемой относительной погрешности счетчиков при выпуске из производства не превышают значений, приведенных в таблице:
| Диапазон объемных расходов | Относительная погрешность для счетчиков холодной воды |
| Qmin ≤ Q < Qt | ± 5 % |
| Qt ≤ Q ≤ Qmax | ± 2 % |
Счетчик соответствует требованиям европейских стандартов;
Завод изготовитель сертифицирован в соответствии с ISO 9001:2000.
| Технические характеристики счетчиков Woltex | ||||||||||||
| Nominal diameter (DN) | мм | 50 | 65 | 80 | 100 | 125 | 150 | 200 | 250 | 300 | 400 | 500 |
| Порог чувствительности | м3/ч | 0.2 | 0.25 | 0.3 | 0.4 | 0.4 | 1.1 | 1.6 | 3 | 10 | 15 | 20 |
| Минимальный расход Qmin | м3/ч | 0.75 | 0.6 | 1.2 | 1.5 | 1.5 | 3 | 3.5 | 5 | 15 | 30 | 40 |
| Переходный расход Qt | м3/ч | 0.5 | 0.5 | 0.75 | 1.2 | 1.2 | 1.5 | 2.5 | 3.5 | 12 | 25 | 30 |
| Максимальный кратковременный расход | м3/ч | 90 | 200 | 250 | 300 | 300 | 700 | 1000 | 1500 | 2500 | 4500 | 7000 |
| Максимальный расход Qmax | м3/ч | 50 | 80 | 120 | 200 | 200 | 500 | 800 | 1200 | 2000 | 3000 | 5000 |
| Потеря давления при Qmax | бар | 0.2 | 0.5 | 0.55 | 0.23 | 0.23 | 0.15 | 0.12 | 0.12 | 0.2 | 0.17 | 0.3 |
|
Максимальная постоянная температура рабочей среды |
°C | 50 (130) | ||||||||||
|
Максимальное рабочее давление (версия для низкого давления) |
бар | 20 | ||||||||||
|
Максимальное рабочее давление (версия для высокого давления) |
бар | 50 | ||||||||||
| Минимальная цена деления шкалы | л | 0,5 | 5 | 50 | ||||||||
| Емкость сумматора | м3 | 999999.99 | 9999999.9 | 99999999 | ||||||||
| Вес ВЧ импульса Cyble | л | 10 | 100 | 1000 | ||||||||

| Номинальный диаметр (DN) | мм | 50 | 65 | 80 | 100 | 125 | 150 | 200 | 250 | 300 | 400 | 500 |
| Версия давления | НД | НД | НД | НД/ВД | НД | НД/ВД | НД/ВД | НД/ВД | НД/ВД | НД/ВД | НД | |
| Фланцевое соединение | PN 10 или 16 | PN 10 или 16 | ||||||||||
| Фланцевое соединение | - | - | - | PN 25 или 40 | PN 25 или 40 | - | ||||||
| Счетчик | ||||||||||||
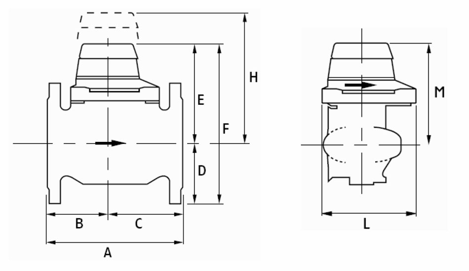
| A (стандартная длина) | мм | 200 | 200 | 200 | 250 | 250 | 300 | 350 | 450 | 500 | 600 | 800 |
| DIN | мм | 200 | 200 | 225 | 250 | - | 300 | 350 | - | - | - | - |
| ISO long | мм | 300 | 300 | 350 | 350 | - | 500 | - | - | - | - | - |
| B | мм | 100 | 100 | 100 | 111 | 111 | 139/134 | 164 | 214 | 200 | 250 | 350 |
| C | мм | 100 | 100 | 100 | 139 | 139 | 161/166 | 186 | 236 | 300 | 350 | 450 |
| D | мм | 82,5 | 92,5 | 100 | 110/122 | 110 | 142,5/157 | 171/181 | 204/220 | 230/257,5 | 290\330 | 357,5 |
| E | мм | 160 | 160 | 160 | 169 | 169 | 194 | 220 | 195 | 342 | 342 | 342 |
| F | мм | 243 | 353 | 261 | 279/343 | 294 | 339/401 | 91/401 | 99/415 | 546/600 | 632/673 | 689 |
| G | мм | 165 | 185 | 200 | 220/235 | 220 | 285/235 | 40/375 | 05/405 | 460515 | 580/660 | 715 |
| H | мм | 262 | 262 | 262 | 309 | 309 | 395 | 420 | 395 | 729 | 729 | 729 |
| Масса | кг | 11,4 | 12,6 | 14,1 | 19,5/30 | 19,5 | 34/55 | 55/83 | 75/111 | 175/270 | 255/510 | 390 |
| Измерительный механизм | ||||||||||||
| L | мм | 123 | 123 | 123 | 166 | 166 | 212/235 | 35/332 | 56/290 | 350 | 350 | 350 |
| I | мм | 148 | 148 | 148 | 82/212 | 182 | 273/294 | 76/300 | 76/310 | 426 | 426 | 426 |
| M | мм | 160 | 160 | 160 | 160 | 241 | 194 | 195 | 195 | 342 | 342 | 342 |
| Масса | кг | 3 | 3 | 3 | 5,4/7 | 5,4 | 7,8/12,6 | 8,5/13,5 | 8,5/15 | 54/63 | 54/63 | 54 |
* нд - низкое давление, вд - высокое давление.
** Стандартная длина. Другие длины (по DIN или ISO (L)) по специальному заказу.

Инструкция Woltex - будет добавлена в ближайшее время
Купить Woltex: Александрия, Алчевск, Артемовск, Белая Церковь, Белгород-Днестровский, Бердичев, Бердянск, Боярка, Горловка, Бровары, Васильевка, Васильков, Винница, Владимир-Волынский, Вознесенск, Днепродзержинск, Днепропетровск, Донецк, Евпатория, Желтые Воды, Житомир, Запорожье, Ивано-Франковск, Измаил, Изюм, Ильичевск, Каменец-Подольский, Каховка, Керчь, Киев, Кировоград, Ковель, Конотоп, Коростень, Краматорск, Кременчуг, Кривой Рог, Лубны, Луганск, Луцк, Львов, Мариуполь, Мелитополь, Миргород, Мукачево, Нежин, Николаев, Никополь, Новая Каховка, Нововолынск, Новоград-Волынский, Одесса, Павлоград, Первомайск, Полтава, Прилуки, Пирятин, Ровно, Севастополь, Северодонецк, Симферополь, Славянск, Смела, Стрый, Сумы, Тернополь, Ужгород, Умань, Феодосия, Харьков, Херсон, Хмельницкий, Черкассы, Чернигов, Черновцы, Шостка, Ялта.
