Описание Компактный теплосчетчик Integral-MK MaXX:
Integral-MK MaXX
Компактный счетчик тепла Integral-MK MaXX Qn 1,0 / 2,5 компании Itron (Actaris) для распределения и учета – эффективный ответ на потребности рынка.
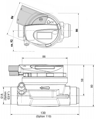
Компактные размеры и необычайная универсальность опций – сильные стороны Integral-MK MaXX.
Датчик расхода Integral-MK MaXX, сертифицирован по классу С
Датчик расхода Integral-MK MaXX сертифицирован PTB – класс C
Стандартная калибровка осуществляется в соответствии с требованиями к классу B.
Надежное электронное обнаружение турбины
Патентованная электронная система Integral-MK MaXX обнаружения гарантирует передачу объемных импульсов на калькулятор при отсутствии реакции.
Капсульная система
Система измерительной капсулы облегчает модернизацию.

Кроме того, концентра-тор можно присоединять к модему для удаленного считывания показаний через телефонную сеть. К Integral MaXX можно присоединять до 4 счетчиков воды с импульсным выходным сигналом. Это позволяет считывать с при-соединенных счетчиков воды фактические и данные потребления на установленную дату, на ЖК-дисплее или посредством M-Bus.
Опция импульсного выхода обеспечивает передачу пропорциональных импульсов энергии и объема на счетное устройство.
Современные функции
Калькулятор управляется системой ASIC и выводит на экран все важные фактические и данные на установленную дату, эргономичность конструкции достигается благодаря возможности управления посредством нажатия всего одной кнопки.
Предварительно оснащен для подключения в будущем к линии связи
Все счетчики тепла Integral-MK MaXX заранее оснащены элементами, позволяющими присоединение к нескольким типа соединителей по выбору, таких как опционный штекер для связи M-BUS.
Предварительно подготовлены для присоединения к счетчикам воды с импульсным выходом.
Предварительно оснащены для установки модуля вывода чередующихся данных энергии и объема.
ЖК-дисплей Integral-MK MaXX
При помощи одной и той же кнопки можно выбирать разные экраны. Удерживая кнопку нажатой (приблизительно 3 сек.) можно переключить ЖК-дисплей на уровень второго ЖК-экрана. После присоединения опционных соединителей становятся доступными дополнительные дисплеи. Многофункциональный дисплей для визуализации соответствующих данных:

-
Уровень 1
- Энергия
- Объем
- Проверка ЖК-дисплея Integral-MK MaXX
- Энергия и дата, последние 13 месяцев
-
Уровень 2
- Фактический поток
- Разница температур
- Температура на входе
- Температура на выходе
- Ошибка времени «Time in» (в часах)
- Время эксплуатации (лет, суток)
- Встроенные программы
-
Опция
- Первичный адрес (M-Bus)
- Вторичный адрес (M-Bus)
- Объем присоединенных счетчиков воды
- Данные счетчика воды на установленную дату
| Тип |
Integral-MK MaXX Qn 1,0 |
Integral-MK MaXX Qn 2,5 |
|
| Ярлыки на английском языке |
Ссылка
|
4001223037
|
4005223037
|
| Ярлыки на немецком языке |
Ссылка
|
4001223037
|
4005223037
|
| Калькулятор | |||
|
Температурный диапазон Т |
°C |
20…90 |
20…90 |
|
|
|
20…140 (опция) |
20…140 (опция) |
|
Разница температур dT: |
°C |
3…70 |
3…70 |
|
|
|
3…120 (опция) |
3…120 (опция) |
|
Разрешение ЖК-дисплея |
кВт-ч |
0…9999999 |
0…9999999 |
|
|
м3 |
0…99999,99 |
0…99999,99 |
|
Литиевая батарея |
Напряжение, В |
3,6 |
3,6 |
|
|
Срок службы |
10 лет |
10 лет |
|
Степень защиты |
IP |
54 |
54 |
|
Класс исполнения |
EN1434 |
C |
C |
| Датчик расхода | |||
|
Диаметр условного прохода DN |
мм |
15 |
20 |
|
Номинальный расход Qp |
м3/ч |
1,0 |
2,5 |
|
Динамический диапазон |
PTB |
C |
C |
|
Класс стандартной калибровки |
PTB |
B |
B |
|
Максимальный расход (кратковременный) Qmax |
м3/ч |
1,2 |
3,0 |
|
Переходный расход Qt* |
л/ч |
80 |
200 |
|
Минимальный расход Qmin* |
л/ч |
20 |
50 |
|
Температурный диапазон Tvmt |
°C |
20–90 °C |
20–90 °C |
|
Рабочее давление PN |
бар |
16 |
16 |
|
Соединение |
|
Комплекты EAT для монтажа |
Комплекты EAT для монтажа |
| Датчик температуры | |||
|
Технология |
|
PT100 |
PT100 |
|
Тип |
Карман |
6 мм x 50 мм |
6 мм x 50 мм |
|
Вид соединения |
|
2-проводное |
2-проводное |
|
Длина кабеля |
Скрученный кабель |
1,2 м |
1,2 м |
Дополнительные возможности Все счетчики Integral MaXX готовы к присоединению к различным типам опционных соединителей. Счетчик автоматически определяет присоединенную опцию и обеспечивает реализацию дополнительных функций.
Опционные соединители можно даже устанавливать на месте эксплуатации без снятия метрологических пломб.
|
Тип |
Опционный соединитель M-BUS и 4 счетчика воды |
|
Ссылка |
4097000037 |
|
Технические характеристики M-Bus |
|
|
Протокол |
EN1434-3, параметрический протокол, младший байт первый. |
|
Скорость передачи в бодах |
300 или 2400 бодов (программируется посредством M-Bus). |
|
Данные (стандартный фрейм) |
Энергия, объем, расход, температура (вход, выход, разница), ошибка времени «time in». Время эксплуатации, дата и время, объем присоединенных счетчиков воды 1...4, версия встроенных программ. |
|
Данные |
Энергия теплосчетчика, объем всех присоединенных счетчиков воды и дата зафиксированной даты. 13 различных фреймов (13 прошлых месяцев), можно выбрать посредством MBus. |
|
Технические характеристики импульсного входа счетчиков воды (для герконовых реле или аналогичных им переключателей) |
|
|
Вес импульса |
10 литров или 100 литров на импульс (программируется посредством M-Bus или кнопкой) |
|
Напряжение обнаружения |
типовое 3 В |
|
Обнаружение импульса |
Контакт замкнут R <= 500 Ом Контакт разомкнут R => 100 кОм Соотношение импульс/пауза >= 3 с |
|
Максимальная длина провода |
30 м |
|
Тип |
Опционный соединитель - чередование сигнала энергии и объема |
|
Ссылка |
4098000037 |
|
Максимальное напряжение обнаружения |
30 В |
|
Максимальный ток |
20 мА |
|
Максимальное сопротивление выхода R на |
100 Ом (во время чередующегося импульса) |
|
Длительность импульса |
500 мс |
|
Вес импульса |
Энергия:1 кВт-ч Объем:10 л |
Инструкция Компактный теплосчетчик Integral-MK MaXX - будет добавлена в ближайшее время
Купить Компактный теплосчетчик Integral-MK MaXX: Александрия, Алчевск, Артемовск, Белая Церковь, Белгород-Днестровский, Бердичев, Бердянск, Боярка, Горловка, Бровары, Васильевка, Васильков, Винница, Владимир-Волынский, Вознесенск, Днепродзержинск, Днепропетровск, Донецк, Евпатория, Желтые Воды, Житомир, Запорожье, Ивано-Франковск, Измаил, Изюм, Ильичевск, Каменец-Подольский, Каховка, Керчь, Киев, Кировоград, Ковель, Конотоп, Коростень, Краматорск, Кременчуг, Кривой Рог, Лубны, Луганск, Луцк, Львов, Мариуполь, Мелитополь, Миргород, Мукачево, Нежин, Николаев, Никополь, Новая Каховка, Нововолынск, Новоград-Волынский, Одесса, Павлоград, Первомайск, Полтава, Прилуки, Пирятин, Ровно, Севастополь, Северодонецк, Симферополь, Славянск, Смела, Стрый, Сумы, Тернополь, Ужгород, Умань, Феодосия, Харьков, Херсон, Хмельницкий, Черкассы, Чернигов, Черновцы, Шостка, Ялта.
