Описание Счетчики газа DELTA:
DELTA Счетчик газа роторного типа
Счетчики газа DELTA – это счетчики объемного типа. Поток газа вызывает вращение роторов счетчика. Каждый оборот роторов перемещает через счетчик строго определенный объем газа. Вращение роторов передается на счетный механизм счетчика посредством магнитной передачи.



.jpg)
Приемущества
- Прекрасная метрологическая стабильность, доказанная многолетним опытом использования во всем мире и Украине
- Счетчики DELTA S3F используются официальным метрологическим органом Германии (PTB) в качестве эталонных счетчиков
- Сертифицирован в соответствии с ДСТУ:EN12480 и MID
- Отсутствие влияние монтажа и характеристик потока газа на метрологические характеристики
- Самый широкий динамический диапазон среди всех роторных счетчиков, представленных в Украине
- Минимальные потери давления, позволяющие применять счетчик в сетях низкого давления
- Максимальное давление газа до 101,2 бар (S1-Flow)
- Все счетчики оснащены метками для установки датчиков Cyble
Описание
Счетчик DELTA состоит из пяти основных частей:
- Измерительная камера (1), ограниченная корпусом и двумя боковыми крышками;
- Два ротора (2), вращающиеся в разные стороны и вращение которых строго синхронизировано;
- Два канала (3) для смазки;
- Магнитная муфта (4) для передачи вращения роторов на счетный механизм счетчика;
- Счетный механизм (5) для регистрации объема газа.

Применение
- Счетчики DELTA применяются для коммерческого учета природного и других неагрессивных газов.
- Данные счетчики незаменимы при широких диапазонах расходов.
- Применяя счетчик DELTA, можно избежать необходимости проектирования двух веток учета для зимнего (большие расходы) и летнего (малые расходы) сезона.
- Отсутствие эффекта инерционности присущей турбинным счетчикам предполагает использование счетчиков DELTA при учете нестабильных расходов.
- Являясь счетчиком объемного типа DELTA абсолютно нечувствителен к характеристикам потока газа, следовательно отсутствуют требования к прямым участкам до и после счетчика.
- Минимальный уровень фильтрации газа перед счетчиком составляет 100 мкм (0,1 мм).
Метрологические характеристики
Основная относительная погрешность счетчиков в диапазонах объёмных расходов не превышает:
от Qmin до Qt → ± 2,0 %
от Qt до Qmax → ± 1,0 %
где:
Qt = 0,2·Qmax для динамического диапазона 1:20;
Qt = 0,15·Qmax для динамического диапазона 1:30;
Qt = 0,1·Qmax для динамического диапазона 1:50, 1:65, 1:80;
Qt = 0,08·Qmax для динамического диапазона 1:100;
Qt = 0,06·Qmax для динамического диапазона 1:130, 1:160;
Qt = 0,05·Qmax для динамического диапазона 1:200.
Типичная калибровочная кривая счетчиков DELTA

Счетный механизм
- 9 разрядов обеспечивают большой запас по регистрации объема
- индекс расположен под углом 45º для удобства считывания
- защищенность в соответствии с IP67
- Вращение на 350º без необходимости замены пломб (кроме серии 2040)
- Оснащен меткой для возможности считывания информации о расходе с помощью внешнего импульсного датчика CYBLE
- Оснащен отражающей меткой на на первом колесе
- Оснащен оптическим диском для упрощения поверки
- Устойчив к воздействию ультрафиолета
- Оснащен именной табличкой с указанием основных характеристик
- Стандартно устанавливаются два низкочастотных импульсных датчика и датчик несанкционированного доступа (кроме 2040)
счетчик DELTA с электронным корректором объема газа CORUS
счетный механизм с меткой для датчика Cyble
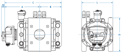
Серия DELTA 2040
| Основные характеристики | |
| Объемные расходы | от 0,4 м3/ч до 65 м3/ч |
| Типоразмеры | G10, G16, G25 и G40 |
| Номинальный диаметр | 40 мм (1 1/2") |
| Максимальное давление | 16 бар |
| Динамический диапазон | до 1:100 |
| Материал корпуса | алюминий |
| Соединение | резьбовое |
Серия DELTA 2040 G25 DN40 (алюминий)
- очень компактные счетчики идеально подходят для установки в малогабаритных шкафах
- защищенность в соответствии с IP67
- заливать масло необходимо только в один передний картер
- газ в счетном механизме, механическая передача
- мультипозиционная установка (→ ← ↓ ↑) указывать при заказе
- два низкочастотных датчика, нет датчика несанкционированного доступа
- устойчив к воздействию ультрафиолета
- по спецзаказу вместо низкочастотного может быть установлен высокочастотный импульсный датчик
- в исполнении для учета водорода низкочастотный датчик отсутствует
- Соединение – резьбовое, резьба внутренняя коническая 1 1/2"

| Характеристики счетчиков роторного типа DELTA серий 2050, 2080, 2100 | |||||||||||||||
|
Типо- размер |
Qmax, (м3/ч) |
DN, (мм) |
Меж- фланцевое расстояние, L, мм |
Динами- ческий диапазон Qmax/Qmin |
Qstart , (дм3/ч) |
Потеря* давления, мбар |
Вес импульса НЧ датчика и CYBLE, (м3/имп) |
Вес** импульса ВЧ датчика, (дм3/имп) |
Частота ВЧ датчика при Qmax, (Гц) |
А, мм |
B, мм |
C, мм |
D, мм |
Vc, дм3 |
Вес, кг |
| G10 | 16 | 40 | 121 | 20 ... 30 | 3 | 0,34 | 0,01 | 0,0227 | 195 | 93 | 66 | 159 | 96 | 0,14 | 2,7 |
| G16 | 25 | 40 | 121 | 20 ... 50 | 3 | 0,83 | 0,01 | 0,0227 | 305 | 93 | 66 | 159 | 96 | 0,14 | 2,7 |
| G25 | 40 | 40 | 121 | 20 ... 100 | 5 | 1,38 | 0,01 | 0,0324 | 343 | 103 | 86 | 189 | 96 | 0,19 | 3,4 |
| G40 | 65 | 40 | 121 | 20 ... 100 | 5 | 3,32 | 0,01 | 0,0324 | 558 | 103 | 86 | 189 | 96 | 0,19 | 3,4 |
* Значение потери давления указано для газа с относительной плотностью 0,83 Кг/м3 на максимальном расходе
** Значение веса импульса ВЧ датчика указано при условии установленной калибровочной пары колес (20/38)

Серии DELTA 2050, 2080 и 2100
| Основные характеристики | |
| Объемные расходы | от 0,4 м3/ч до 400 м3/ч |
| Типоразмеры | G16, G25, G40, G65, G100, G160, G250 |
| Номинальный диаметр | 50, 80 и 100 мм (2", 3" и 4") |
| Максимальное давление | 16 бар |
| Динамический диапазон | до 1:200 |
| Материал корпуса | алюминий |
| Соединение | фланцевое |
DELTA 2100 G250 DN100 с ВЧ датчиком и датчикомCYBLE
- индекс расположен под углом 450 для удобства считывания
- защищенность в соответствии с IP67
- сумматор вращается на 3600 без необходимости замены пломб
- оснащен меткой для возможности считывания информации о расходе с помощью внешнего импульсного датчика CYBLE
- оснащен отражающей меткой на первом колесе
- оснащен оптическим диском для упрощения поверки
- устойчив к воздействию ультрафиолета
- заливать масло необходимо и в передний и в задний картер
- магнитная передача
- мультипозиционная установка (→ ← ↓ ↑) не надо указывать при заказе
- два низкочастотных импульсных датчика и датчик несанкционированного доступа
- по спецзаказу дополнительно может быть установлен высокочастотный импульсный датчик и среднечастотный
- при увеличении проектных расходов можно заменить счетчик G65 на G100 без изменения Ду и межфланцевого расстояния
- В стандартной комплектации оснащается встроенной гильзой для датчика температуры корректора объема газа SEVC-D(Corus)

| Характеристики счетчиков роторного типа DELTA серий 2050, 2080, 2100 | |||||||||||||||
|
Типо- размер |
Qmax, (м3/ч) |
DN, (мм) |
Меж- фланцевое расстояние, L, мм |
Динами- ческий диапазон Qmax/Qmin |
Qstart , (дм3/ч) |
Потеря* давления, мбар |
Вес импульса НЧ датчика и CYBLE, (м3/имп) |
Вес** импульса ВЧ датчика, (дм3/имп) |
Частота ВЧ датчика при Qmax, (Гц) |
А, мм |
B, мм |
C, мм |
D, мм |
Vc, дм3 |
Вес, кг |
| G16 | 25 | 50 | 171 | 20 ... 50 | 50 | 0,13 | 0,1 | 0,0585 | 119 | 190 | 121 | 311 | 182 | 0,59 | 11 |
| G25 | 40 | 50 | 171 | 20 ... 160 | 50 | 0,33 | 0,1 | 0,0585 | 190 | 190 | 121 | 311 | 182 | 0,59 | 11 |
| G40 | 65 | 50 | 171 | 20 ... 160 | 50 | 0,88 | 0,1 | 0,0585 | 309 | 190 | 121 | 311 | 182 | 0,59 | 11 |
| G65 | 100 | 50 | 171 | 20 ... 200 | 50 | 2,08 | 0,1 | 0,0585 | 475 | 190 | 121 | 311 | 182 | 0,59 | 11 |
| G100 | 160 | 50 | 171 | 20 ... 200 | 70 | 3,25 | 0,1 | 0,0939 | 473 | 228 | 159 | 387 | 182 | 0,94 | 15 |
| 160 | 80 | 171 | 20 ... 200 | 70 | 1,73 | 0,1 | 0,0939 | 473 | 228 | 159 | 387 | 182 | 0,94 | 15 | |
| G160 | 250 | 80 | 171 | 20 ... 200 | 80 | 3,15 | 0,1 | 0,116 | 599 | 252 | 183 | 435 | 182 | 1,16 | 17 |
| 250 | 80 | 241 | 20 ... 160 | 150 | 2,73 | 1 | 0,178 | 390 | 230 | 179 | 409 | 235 | 1,78 | 29 | |
| G250 | 400 | 100 | 241 | 20 ... 160 | 200 | 2,63 | 1 | 0,365 | 304 | 333 | 282 | 615 | 235 | 3,65 | 43 |
* Значение потери давления указано для газа с относительной плотностью 0,83 Кг/м3 на максимальном расходе
** Значение веса импульса ВЧ датчика указано при условии установленной калибровочной пары колес (32/40)
.jpg)
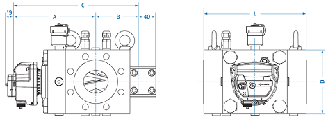
Серия DELTA S1-Flow (S1F)
| Основные характеристики | |
| Объемные расходы | от 0,4 м3/ч до 160 м3/ч |
| Типоразмеры | G16, G25, G40, G65, G100 |
| Номинальный диаметр | 50 и 80 мм (2" и 3") |
| Максимальное давление | 101,2 бар |
| Динамический диапазон | до 1:200 |
| Материал корпуса | сталь |
| Соединение | фланцевое |
DELTA S1-Flow G65 DN50 с ВЧ датчиком и датчиком CYBLE (материал корпуса – сталь)
Характеристики
- Изготовлен по технологии S-Flow
- Счетчик может быть оснащен системой с байпасом для беспрерывного газоснабжения при заблокированных роторах
- индекс расположен под углом 45º для удобства считывания
- защищенность в соответствии с IP67
- сумматор вращается на 360º без необходимости замены пломб
- оснащен меткой для возможности считывания информации о расходе с помощью внешнего импульсного датчика CYBLE
- оснащен отражающей меткой на на первом колесе
- оснащен оптическим диском для упрощения поверки
- устойчив к воздействию ультрафиолета
- заливать масло необходимо только в передний картер
- магнитная передача
- мультипозиционная установка (→ ← ↓ ↑) не надо указывать при заказе
- два низкочастотных импульсных датчика и датчик несанкционированного доступа
- по спецзаказу дополнительно может быть установлен высокочастотный импульсный датчик и среднечастотный
- при увеличении проектных расходов можно заменить счетчик G65 на G100 без изменения Ду и межфланцевого расстояния
- В стандартной комплектации оснащается встроенной гильзой для датчика температуры корректора объема газа SEVC-D(Corus)
.gif)
| Характеристики счетчиков роторного типа DELTA серии S1-Flow (S1F) | |||||||||||||||
|
Типо- размер |
Qmax, (м3/ч) |
DN, (мм) |
Меж- фланцевое расстояние, L, мм |
Динами- ческий диапазон Qmax/Qmin |
Qstart , (дм3/ч) |
Потеря* давления, мбар |
Вес импульса НЧ датчика и CYBLE, (м3/имп) |
Вес** импульса ВЧ датчика, (дм3/имп) |
Частота ВЧ датчика при Qmax, (Гц) |
А, мм |
B, мм |
C, мм |
D, мм |
Vc, дм3 |
Вес, кг |
| G16 | 25 | 50 | 240 | 20 ... 30 | 50 | 0,21 | 0,1 | 0,0496 | 140 | 190 | 100 | 290 | 150 | 0,49 | 34 |
| G25 | 40 | 50 | 240 | 20 ... 50 | 50 | 0,45 | 0,1 | 0,0496 | 224 | 190 | 100 | 290 | 150 | 0,49 | 34 |
| G40 | 65 | 50 | 240 | 20 ... 80 | 50 | 1,1 | 0,1 | 0,0496 | 364 | 190 | 100 | 290 | 150 | 0,49 | 34 |
| G65 | 100 | 50 | 240 | 20 ... 130 | 50 | 1,95 | 0,1 | 0,0496 | 560 | 190 | 100 | 290 | 150 | 0,49 | 34 |
| G100 | 160 | 50 | 240 | 20 ... 200 | 50 | 3,95 | 0,1 | 0,0496 | 896 | 190 | 100 | 290 | М | 0,49 | 34 |
* Значение потери давления указано для газа с относительной плотностью 0,83 Кг/м3 на максимальном расходе
** Значение веса импульса ВЧ датчика указано при условии установленной калибровочной пары колес (32/40)
.jpg)
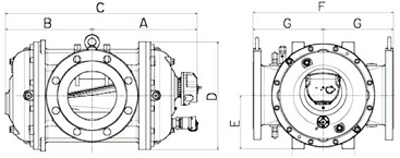
Серия DELTA S3-Flow (S3F)
| Основные характеристики | |
| Объемные расходы | от 0,5 м3/ч до 1000 м3/ч |
| Типоразмеры | G400, G650 |
| Номинальный диаметр | 150 мм (6") |
| Максимальное давление | 16 бар |
| Динамический диапазон | до 1:200 |
| Материал корпуса | чугун (GGG40.3) |
| Соединение | фланцевое |
DELTA S3F DN150 G650 S3-Flow с ВЧ датчиком и датчиком CYBLE (чугун GGG40.3)
Характеристики
- Изготовлен по технологии S-Flow индекс расположен под углом 45º для удобства считывания
- защищенность в соответствии с IP67
- сумматор вращается на 360º без необходимости замены пломб
- оснащен металлическим сектором для возможности считывания информации о расходе с помощью внешнего импульсного датчика CYBLE
- оснащен отражающей меткой на на первом колесе
- оснащен оптическим диском для упрощения поверки
- устойчив к воздействию ультрафиолета
- заливать масло необходимо и в передний и в задний картер
- магнитная передача
- мультипозиционная установка (→ ← ↓ ↑) не надо указывать при заказе
- два низкочастотных импульсных датчика и датчик несанкционированного доступа
- по спецзаказу дополнительно может быть установлен высокочастотный импульсный датчик и среднечастотный
- В стандартной комплектации оснащается встроенной гильзой для датчика температуры корректора объема газа SEVC-D(Corus)
.gif)
| Характеристики счетчиков роторного типа DELTA серии S3-Flow (S3F) | |||||||||||||||
|
Типо- размер |
Qmax, (м3/ч) |
DN, (мм) |
Меж- фланцевое расстояние, L, мм |
Динами- ческий диапазон Qmax/Qmin |
Qstart , (дм3/ч) |
Потеря* давления, мбар |
Вес импульса НЧ датчика и CYBLE, (м3/имп) |
Вес** импульса ВЧ датчика, (дм3/имп) |
Частота ВЧ датчика при Qmax, (Гц) |
А, мм |
B, мм |
C, мм |
D, мм |
Vc, дм3 |
Вес, кг |
| G400 | 650 | 150 | 450 | 20 ... 130 | 1000 | 2,1 | 1 | 0,0595 | 303 | 343 | 267 | 610 | 350 | 5,4 | 120 |
| G650 | 1000 | 150 | 450 | 20 ... 200 | 1000 | 4,8 | 1 | 0,0595 | 467 | 343 | 121 | 311 | 182 | 5,4 | 120 |
* Значение потери давления указано для газа с относительной плотностью 0,83 Кг/м3 на максимальном расходе
** Значение веса импульса ВЧ датчика указано при условии установленной калибровочной пары колес (32/40)
Примечания
- Qmin − минимальное значение объемного расхода, при котором относительная погрешность и потеря давления не превышают допустимых значений;
- Qmax − максимальное значение объемного расхода, при котором относительная погрешность и потеря давления не превышают допустимых значений;
- Динамический диапазон − это отношение Qmах /Qmin, при котором счетчик работает с относительными погрешностями, которые не выходят за пределы допускаемых значений;
- Qstart – начальное значение объемного расхода, при котором ротора счетчика начинают вращаться и отсчетное устройство регистрировать расход газа, но его относительная погрешность не нормируется.
Рекомендации по монтажу счетчиков DELTA
Благодаря используемому в счетчиках DELTA объемному способу учета расхода газа, метрологические характеристики счетчиков не зависят от таких параметров потока газа как скорость, ламинарность и т.д.
Однако мы всё же рекомендуем соблюдать следующие правила при монтаже счетчиков:
- До начала ых работ счетчики следует хранить в сухом отапливаемом помещении с закрытыми заглушками присоединительными отверстиями;
- Заглушки необходимо снимать только перед установкой счетчика на трубопровод;
- Перед началом работ по монтажу счетчика необходимо проверить наличие заводских пломб и клейма официального метрологического органа. При отсутствии пломб и клейма счетчик к эксплуатации не допускается;
-
Перед установкой проведите визуальный осмотр счетчика на наличие повреждений после транспортировки;

- Перед установкой счетчика убедитесь, что его роторы свободно вращаются;
- Перед установкой счетчика внутренняя поверхность трубопровода должна быть очищена от мусора и окалины;
-
После установки счетчика запрещено проводить какие-либо сварочные работы на трубопроводе;

-
После установки роторы счетчика должны быть горизонтально по отношению к земле. Допустимое отклонение ± 0,5° для серии 2040 и ± 5° для остальных серий;

-
Счетчики не рекомендуется устанавливать в нижней части трубопровода в месте скопления конденсата и твердых частиц;

- Целесообразно осуществить фильтрацию газа непосредственно перед счетчиком путем установки фильтра. Рекомендуемая степень фильтрации − не хуже 0,1 мм.
- После установки счетчика следует проконтролировать, чтобы направление потока газа в трубопроводе совпадало с направлением стрелки на корпусе счетчика;
- Счетчики могут устанавливаться на горизонтальном или вертикальном участке трубопровода;
- При вертикальной установке счетчик рекомендуется устанавливать при направлении потока газа сверху вниз;
- Установка счетчика на трубопровод должна проводиться без деформирования счетчика или его фланцев;
- Усилие затягивания болтов не должно превышать следующие значения:
| Таблица Значение усилия затягивания болтов | |||
| Болт | M16 | M20 | M24 |
| Усилие | 100 Нм | 150 Нм | 200 Нм |

Монтажные схемы для установки счетчиков DELTA
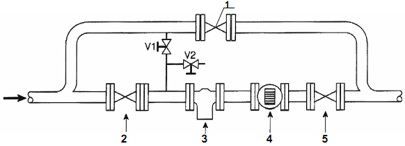
Без байпасной линии
При установке счетчиков DELTA на газопроводе низкого давления (до 1 атм.) рекомендуется применять следующую схему:
1, 8 – запорные краны, 2, 6 – манометры, 3 – основной фильтр, 4 – регулятор давления газа, 5 – счетчик DELTA, 7 – предохранительно-спускной клапан.
C байпасной линией
При установке счетчиков DELTA на газопроводе среднего и высокого давления рекомендуется применять следующую схему:

1, 2, 5 – запорные краны, 3 – основной фильтр, 4 – счетчик DELTA, V1 – кран для повышения давления, V2 – кран для понижения давления.
Характеристики датчиков импульсов счетчиков DELTA
Низкочастотный импульсный датчик (НЧ) (CENELEC: EN50014 и EN50020)
Счетчики стандартного исполнения комплектуются низкочастотным импульсным датчиком, состоящим из двух нормально разомкнутых герконов (LF1, LF2), которые управляются магнитом на первом измерительном колесе сумматора счетчика. Герконы установлены параллельно и характеристики импульсов обоих датчиков идентичны. Если корректор объема газа имеет функцию контроля дребезга контакта их можно использовать вместе, если корректор такой функции не имеет используется один из датчиков, а второй является запасным.
Датчик несанкционированного доступа (НД) (CENELEC: EN50014 и EN50020)
К счетчику подключен также датчик несанкционированного доступа (НД). Он представляет собой нормально замкнутый геркон. Любая попытка воздействия на счетный механизм счетчика внешним магнитным полем разомкнет контакты геркона. Электрические параметры датчика идентичны НЧ датчику.
Для подключения низкочастотных датчиков импульсов и датчика несанкционированного доступа используется 6-ти штырьковый разъем (рис. 3).
Высокочастотный импульсный датчик (ВЧ) (CENELEC: EN50014 и EN50020, NAMUR, EN50227)
По требованию заказчика счетчики могут быть укомплектованы дополнительным высокочастотным импульсным датчиком (ВЧ). Для подключения высокочастотного датчика ВЧ используется 3-х штырьковый разъем или 6-ти штырьковый (Delta 2040) (рис.3 и 4).
Внешний импульсный датчик Cyble (CENELEC: EN50020)
Внешний электронный импульсный датчик (см. описание датчика Cyble)
| Технические характеристики датчиков: | |||
| Характеристика | Значение | ||
| НЧ, СЧ и НД | Cyble | ВЧ | |
| Минимальная длительность импульса, сек. | 0,4 | 0,4 | - |
| Максимальная коммутируемая мощность, мВт | 169 | - | 120 |
| Максимальное напряжение коммутации, В | 16 | 14,3 | 15 |
| Максимальный ток коммутации, мА | 52 | 50 | 50 |
| Максимальная рабочая температура, °С | + 60 °С | ||
| Класс искро- и взрывозащиты |
II ½ G Eex ia IIB/IIC T5 c T6 |
||
Расположение НЧ и ВЧ датчиков
| DN40 (Рис. 1) | DN50/DN80/DN100/DN150 (Рис. 2) |
![]() |
![]() |
| Разъем 6-ти пин. НЧ, СЧ. Вид с тыльной стороны (Рис. 3) | Разъем 3-х пиновый ВЧ. Вид с тыльной стороны (Рис. 2) |
![]() |
![]() |
| Таблица расположения контактов | |||
| Типоразмер | Датчик | Разьем на счетчике | Соответствующие контакты |
| От G10 до G650 | НЧ | 6-ти штырьковый | НЧ 1-2 / 5-6 |
| НД | 6-ти штырьковый | ВЧ 3-4 | |
| ВЧ (Delta 2040) | 6-ти штырьковый | ВЧ 3(-)-4(+) | |
| ВЧ | 3-х штырьковый | ВЧ 1(-)-3(+) | |
Параметры фланцевых соединений счетчиков DELTA
1) Серии 2050, 2080 и 2100 (от G16 DN50 дo G250 DN100)
Отверстия во фланцах резьбовые, резьба метрическая.
Фланцы ISO PN 10 / 16 соответствующие стандарту ISO7005.
.gif)
| L, мм | ||||||
| DN, мм | ISO PN | Количество отверстий | Резьба | Диаметр (D), мм | Материал корпуса | |
| Алюминй / Чугун | Сталь | |||||
| 50 | 10 - 16 | 4 | M16 | 125 | 24 | 30,5 |
| 80 | 110 | 8 | M16 | 127 | - | 30,5 |
| 80 | 10 - 16 | 8 | M16 | 160 | 24 | 34,5 |
| 80 | 110 | 8 | M20 | 168,3 | - | - |
| 100 | 10 - 16 | 8 | M16 | 180 | 24 | - |
| 100 | 110 | 8 | M24 | 215,9 | - | - |
1) Серии S3F (G400 и G650 DN150)
Отверстия во фланцах без резьбы.
Фланцы ISO PN 10 / 16 соответствуют стандарту ISO7005.
.gif)
| Параметры фланцев ISO PN 10 16 20, ANSI 150 | ||||
| DN, мм |
Количество отверстий |
Ø f, мм | Диаметр “D”, мм | Т, мм |
| 150 | 8 | 22,4 | 241 | 26 |
Инструкция Счетчики газа DELTA - будет добавлена в ближайшее время
Купить Счетчики газа DELTA: Александрия, Алчевск, Артемовск, Белая Церковь, Белгород-Днестровский, Бердичев, Бердянск, Боярка, Горловка, Бровары, Васильевка, Васильков, Винница, Владимир-Волынский, Вознесенск, Днепродзержинск, Днепропетровск, Донецк, Евпатория, Желтые Воды, Житомир, Запорожье, Ивано-Франковск, Измаил, Изюм, Ильичевск, Каменец-Подольский, Каховка, Керчь, Киев, Кировоград, Ковель, Конотоп, Коростень, Краматорск, Кременчуг, Кривой Рог, Лубны, Луганск, Луцк, Львов, Мариуполь, Мелитополь, Миргород, Мукачево, Нежин, Николаев, Никополь, Новая Каховка, Нововолынск, Новоград-Волынский, Одесса, Павлоград, Первомайск, Полтава, Прилуки, Пирятин, Ровно, Севастополь, Северодонецк, Симферополь, Славянск, Смела, Стрый, Сумы, Тернополь, Ужгород, Умань, Феодосия, Харьков, Херсон, Хмельницкий, Черкассы, Чернигов, Черновцы, Шостка, Ялта.

II ½ G Eex ia IIB/IIC T5 c T6

-schetchika-delta.gif.gif)
-schetchika-delta.gif)